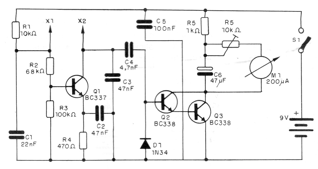
Los flybacks ya no se utilizan ya que los displays con cinescopios cayeron en desuso. Sin embargo, en la recuperación de un aparato antiguo, como un televisor, puede ser necesario probar este tipo de componente. El circuito mostrado a continuación tiene este propósito, verificando si los devanados son en corto.




