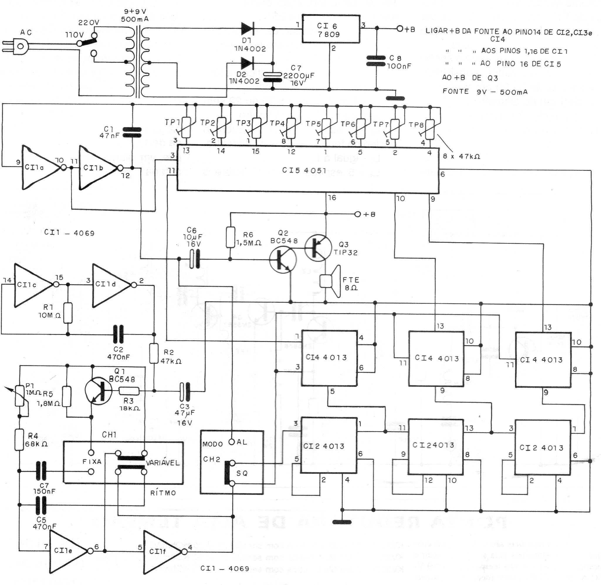
Este circuito es de una documentación de 1995. Varios circuitos integrados CMOS son utilizados para que diversos efectos de sonido sean producidos ,. El circuito posee su propio amplificador, pero C6 puede ser usado para enviar la señal a la entrada de un amplificador potente o un mezclador.




