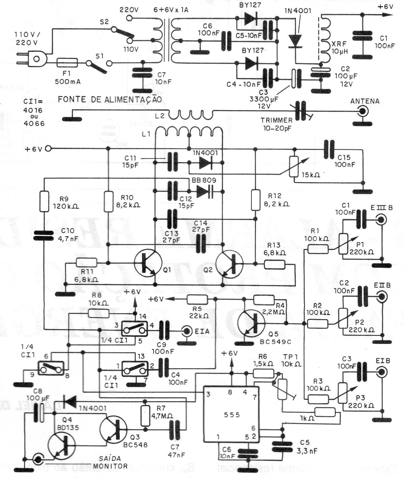
Este circuito es de una documentación de 1995, con Q1 y Q2 del tipo 2N2218 o de mayor potencia. L1 tiene 3 + 3 espiras de hilo 22 o 24 en forma de 1 cm sin núcleo y L2 tiene 4 espiras enlazadas en L1. La fuente se incluye y debe ser cuidado con el diseño para evitar ruidos. Los diversos ajustes son para obtener mayor potencia ,. Frecuencia correcta de la señal piloto y modulación.




