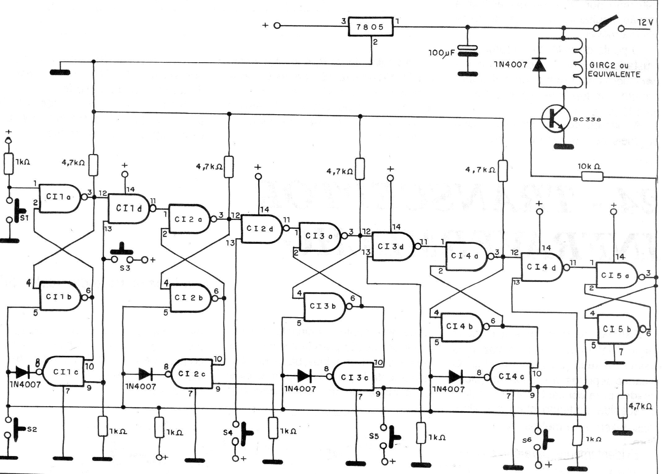
Esta llave de código sólo activa un relé cuando se presiona la secuencia correcta de botones. El circuito utiliza integrados CMOS y es alimentado por 12 V si esta es la tensión del relé usado. Si los botones incorrectos se presionan el circuito reseta. El consumo es muy bajo en la condición en que el relé se encuentra desenergizado.




