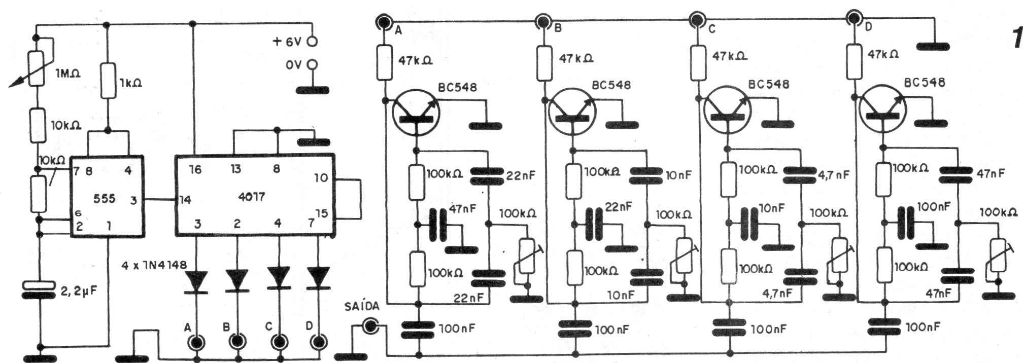
Este circuito es de una documentación de 1995. Consta de una batería de 4 instrumentos accionados secuencialmente por un 4017. Cada uno de los instrumentos tiene su sonido ajustado en un trimpot o potenciómetro. La salida del circuito debe conectarse a la entrada de un buen amplificador. El circuito es alimentado por una tensión de 6 V proveniente de fuente o batería.




