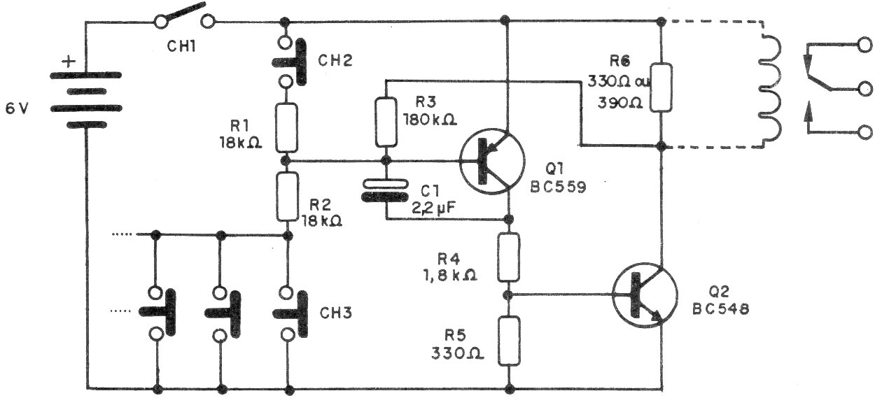
Este circuito controla un relé de modo biestable a partir de los sensores tipo NF (CH3) y NA (CH2). El circuito se puede utilizar en alarmas o controles de dispositivos. La alimentación puede ser de 6 o 12 V según el relé utilizado. Más llaves se pueden agregar al control.




