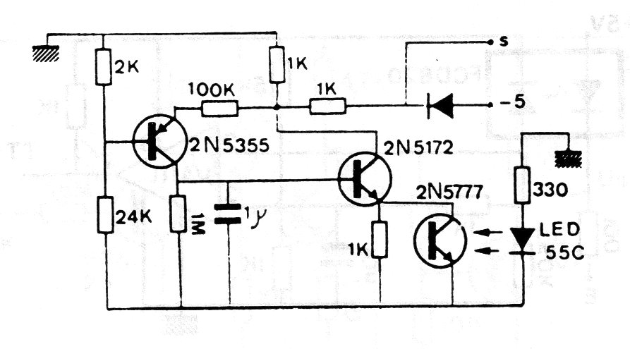
Encontramos este circuito en una antigua documentación francesa de los años 70, pero se puede montar con el uso de transistores equivalentes actuales y cualquier foto-transistor. El circuito produce una salida que depende del paso de los agujeros delante del LED emisor. La alimentación se realiza con 5 V.




