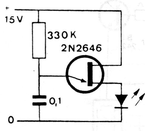
Este circuito de ultra-bajo consumo hace que el LED parpadee. El circuito es alimentado por 15 V en esta aplicación, pero debe funcionar a partir de 6 V.

Este circuito de ultra-bajo consumo hace que el LED parpadee. El circuito es alimentado por 15 V en esta aplicación, pero debe funcionar a partir de 6 V.
