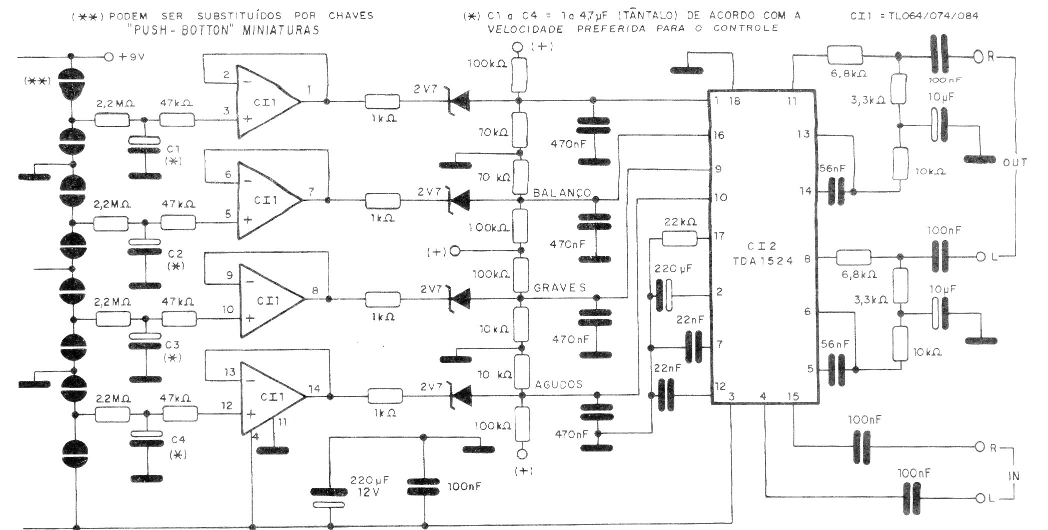
Este circuito es de una documentación de 1995. Se utilizan circuitos integrados que aún se pueden encontrar con cierta facilidad. La fuente de alimentación de 9 a 12 V debe aislarse. Nunca utilice fuente sin transformador. Los cables de audio deben estar blindados.




