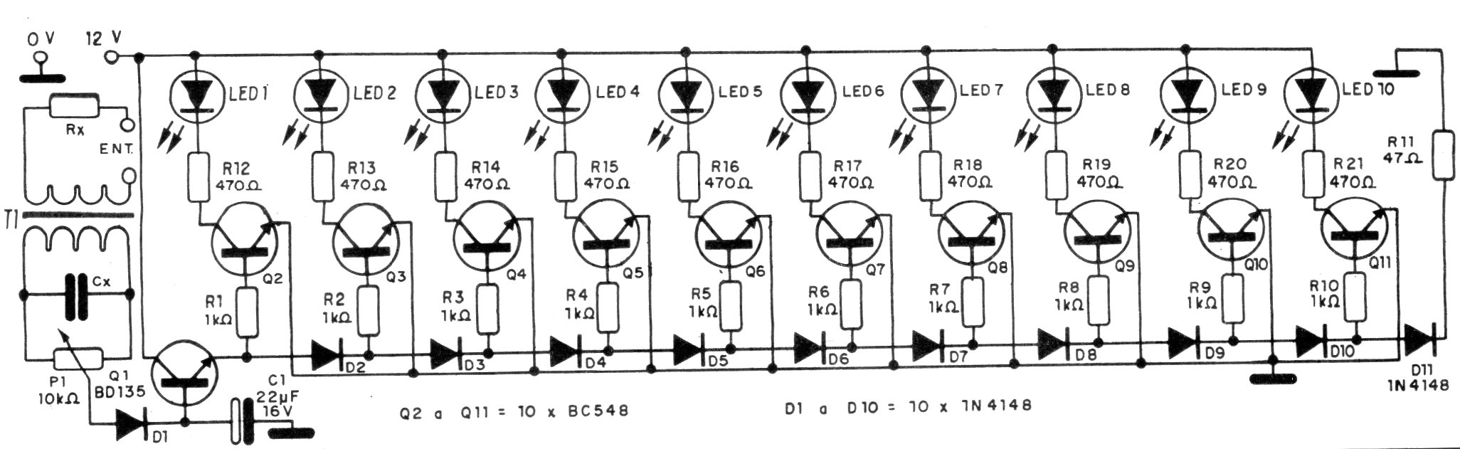
Este circuito es de una publicación de 1995. Los componentes son todos comunes y el número de LED puede ser mayor o menor que el del circuito original. El transformador T1 es de salida de radios transistores y el potenciómetro ajusta el punto de excitación. La resistencia R tiene valores de 10 ohms a 220 ohms, según la potencia del amplificador que puede quedar entre 100 mW y 200 W.




