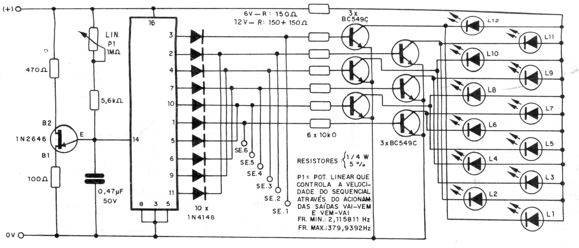
Este circuito utiliza componentes que aún son comunes, a pesar de ser de una documentación de 1995. El circuito puede ser alimentado por tensiones de 6 a 12 V y la velocidad del efecto de flujo de los LEDs se ajusta en P1.
Este preamplificador - bastante simple - puede servir para excitar amplificadores comunes con la...
El circuito mostrado en la figura 1 es una protección del tipo "Crow Bar" en la que el disparo...
Un altavoz viejo, una o dos baterías (incluso bajas), una lima y es todo lo que el lector necesita para...