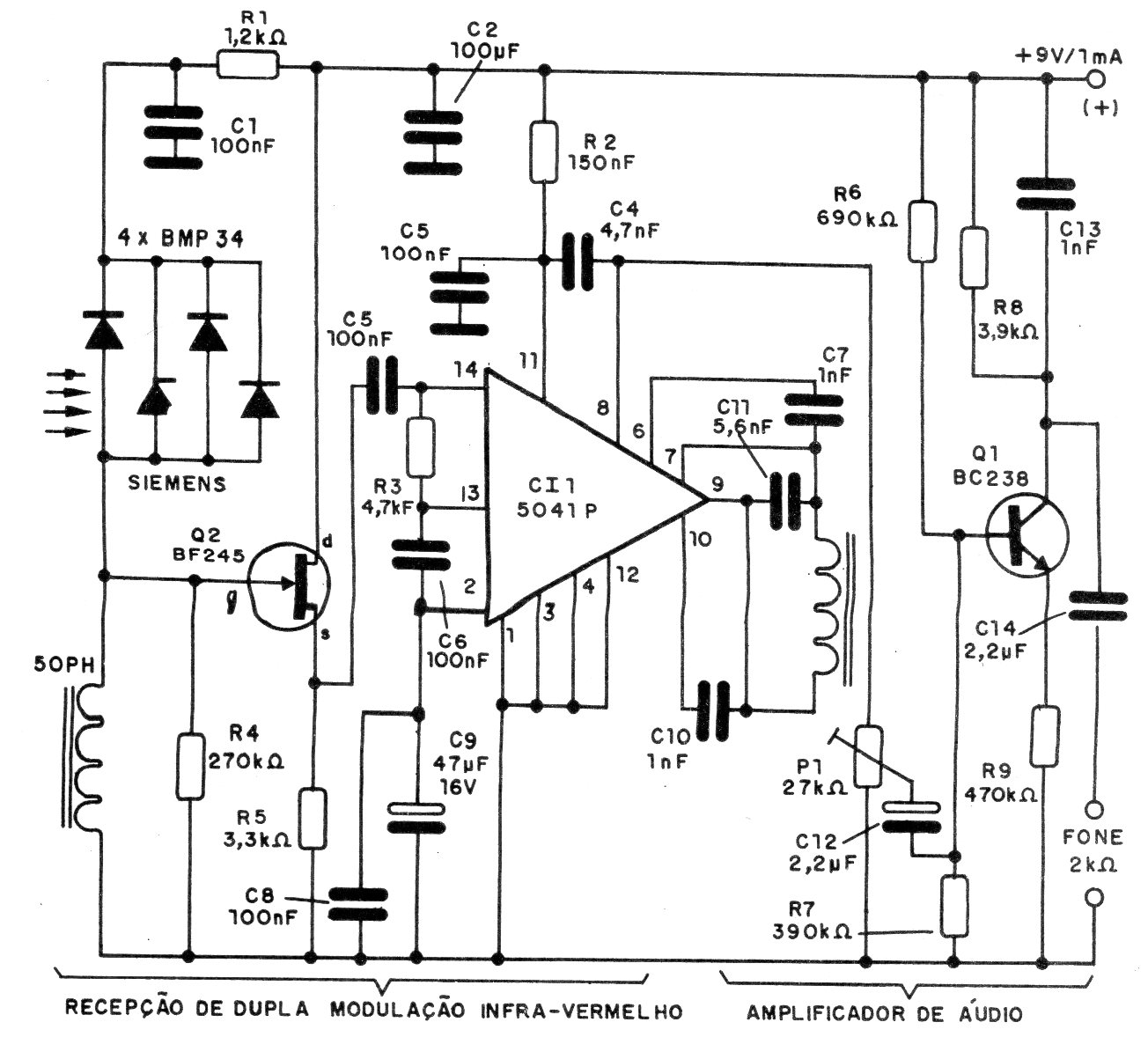
Este es uno de los receptores posibles para el transmisor del CIR7770S. El circuito es de una documentación de 1995 y el circuito integrado utilizado no es muy común en nuestros días. El circuito es alimentado por 9 V. La bobina en la salida del CI-1 debe tener aproximadamente 100 espiras de hilo 32 en un bastón de ferrita.




