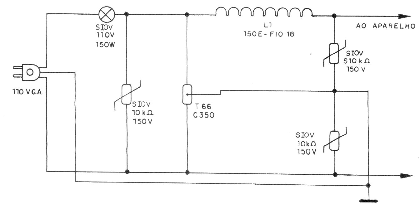
Este circuito protege equipos alimentados por la red de energía contra transitorios venidos por la línea de alimentación y también línea telefónica. El circuito los desvía a la tierra. Las bobinas consisten en 150 espiras de hilo 18 sin núcleo y los varistores son para 220 V. El centelleador es del tipo a gas tripolar y en las aplicaciones normales la lámpara debe ser sustituida por un fusible apropiado.




