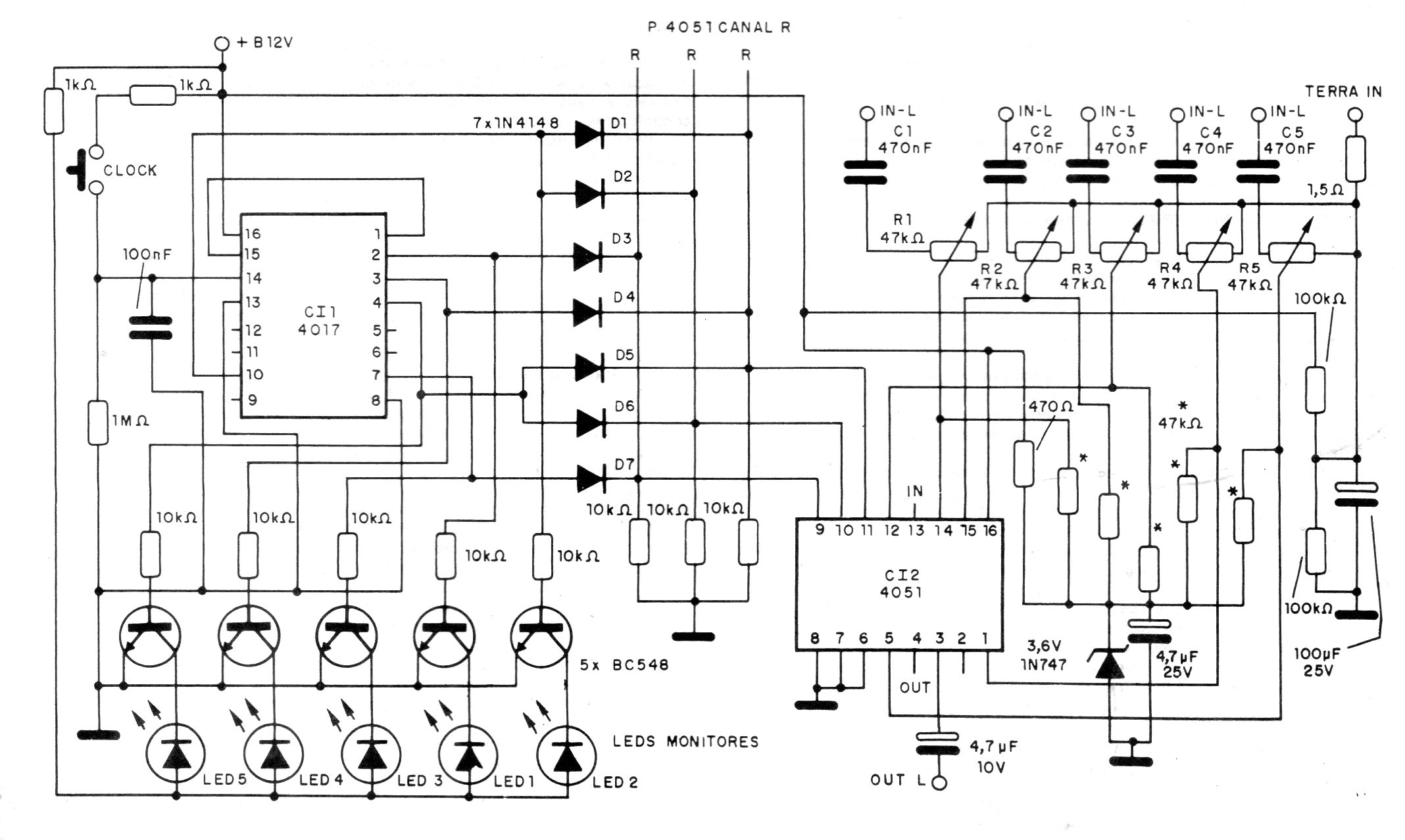
Este circuito fue obtenido en una publicación de 1994. Su finalidad es conmutar de modo digital 5 entradas de audio, aplicando la salida a la entrada de un amplificador u otro circuito. El circuito es alimentado por una tensión de 12 V y se basa en integrados CMOS conocidos y fáciles de obtener. Los cables de entrada y salida de señales deben ser blindados. Los potenciómetros controlan las intensidades de las señales.




