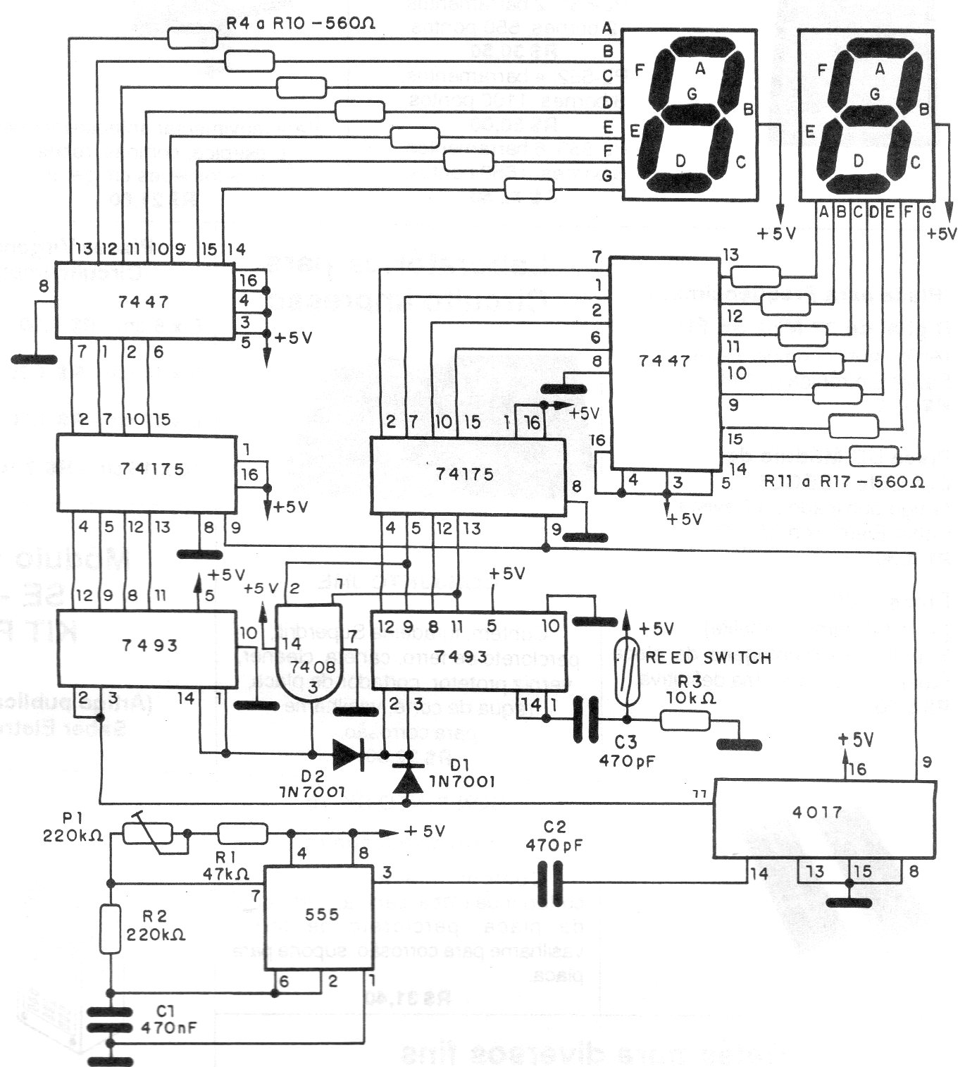
Este circuito fue encontrado en una documentación de 1994. Los pulsos para la medida de la velocidad son obtenidos por un reed-switch que sensorial el paso de uno o más imanes presos a los rayos de la rueda de la bicicleta o incluso al aro. El circuito es alimentado por 5 V, ya que se trata de TTL, y los displays son de ánodo común. El ajuste se realiza en el trimpot P1, pudiendo ser usado un coche a baja velocidad como referencia.




