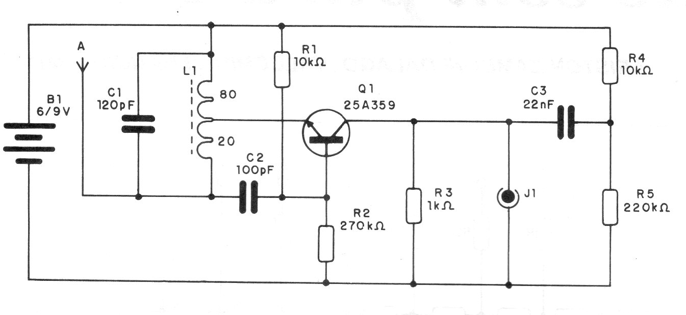
Este pequeño transmisor de AM emite sus señales a una distancia de algunos metros, según la antena. Esta antena puede ser un pedazo de hilo de 1 a 5 metros. La bobina consta de 80 + 20 espiras de hilo 28 en un tubo que se desliza sobre un bastón de ferrita de 1 cm de diámetro. Sintonía es hecha por el desplazamiento de la bobina. La entrada de modulación es hecha por el gato. Se puede utilizar un pequeño altavoz como micrófono.




