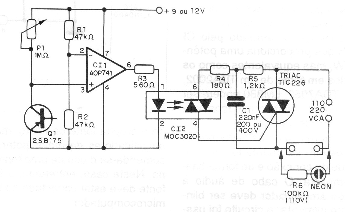
El sensor de este circuito es un transistor común y el punto de disparo se ajusta en el trimpot o el potenciómetro. El circuito tiene fuente aislada para el sensor y el control del triac se hace vía opto-diac con total aislamiento. El triac debe montarse en un disipador de calor.




