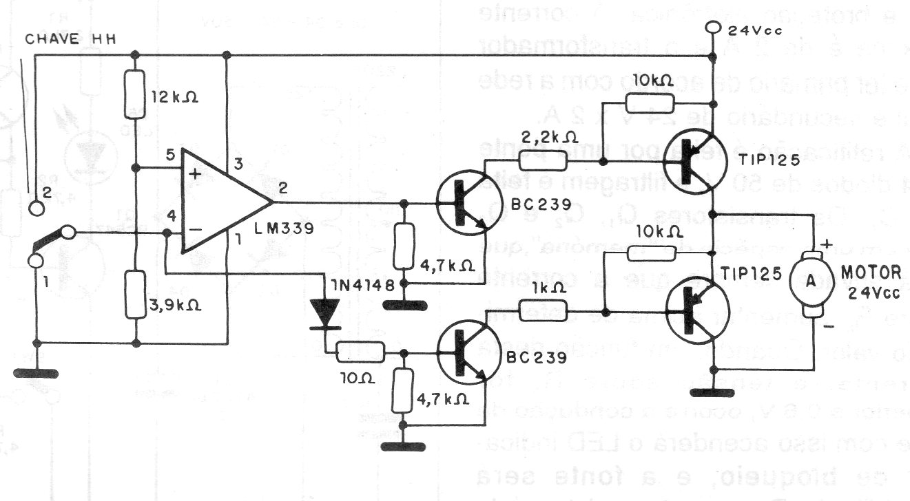
La finalidad de este circuito encontrado en una documentación de 1994 es hacer el accionamiento de un motor de 24 V. El circuito puede ser adaptado para otros tipos de motores. Los transistores de salida deben estar dotados de disipadores de calor. El circuito tiene la ventaja de poseer la función de freno que ocurre cuando el transistor en paralelo con el motor conduce.




