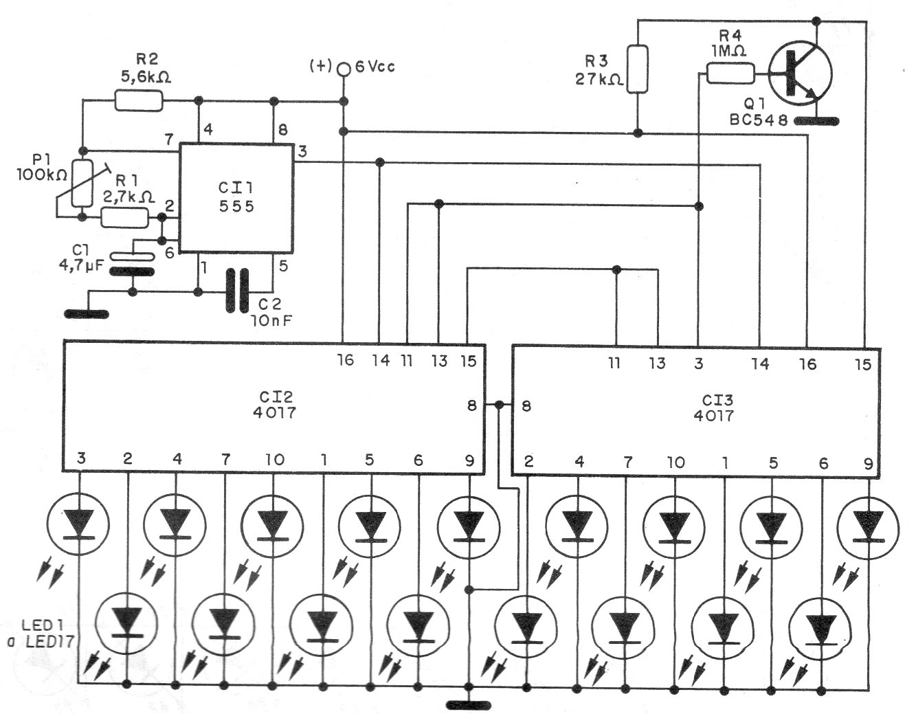
Encontramos este circuito convencional con el 4017 y 555 en una documentación de 1995. Controla 17 LED que corren a una velocidad que se puede ajustar en P1. El circuito se alimenta con 6 V. Con 9 o 12 V se recomienda conectar en serie con el conjunto de LEDs un resistor de 1k o 470 ohms.




