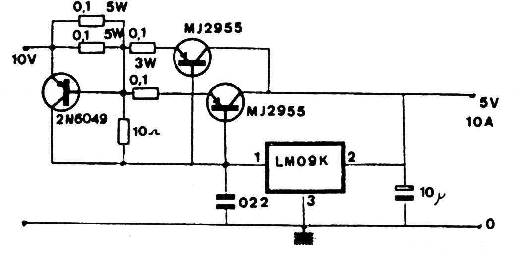
Este regulador de alta corriente para circuitos TTL fue encontrado en una antigua documentación francesa de los años 70. Aparece en otras versiones en el sitio, provenientes de otras fuentes. Los transistores de potencia deben estar dotados de disipadores y el CI admite equivalente como los 7805.




