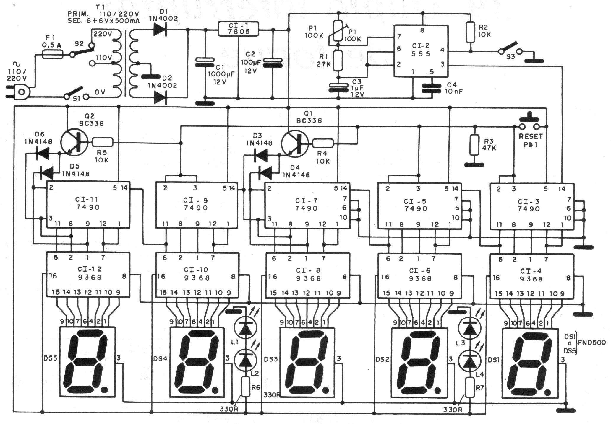
Encontramos este circuito de 5 dígitos en una publicación de 1990. Los displays son de cátodo común y el circuito se basa en tecnología TTL, consistente, por lo tanto, en un excelente proyecto con finalidades didácticas. La precisión del circuito depende del ajuste del 555 que proporciona la señal de reloj. Una adaptación puede ser hecha para usar la frecuencia de la red como base, obteniéndose así un circuito mucho más preciso.




