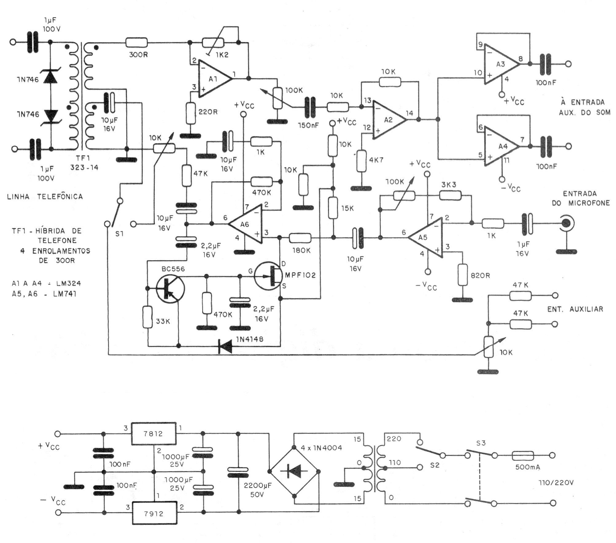
Este circuito adaptador se encuentra en una documentación de 1990. A través de él se puede conectar una línea telefónica a un equipo de sonido. Dado los niveles de ruido y la intensidad de las señales, el máximo de cuidado debe tomarse con el cableado para evitar roncos. La fuente de alimentación también se suministra.




