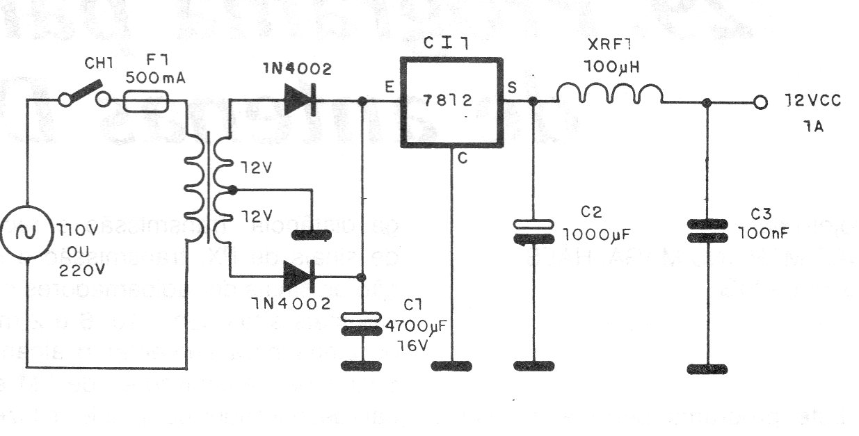
Este circuito está indicado para la alimentación de pequeños y medianos transmisores de FM que requieren 12 V bajo corriente hasta 1 A. El circuito integrado debe estar dotado de disipador de calor. El transformador tiene un secundario de 1 A.
Este preamplificador - bastante simple - puede servir para excitar amplificadores comunes con la...
El circuito mostrado en la figura 1 es una protección del tipo "Crow Bar" en la que el disparo...
Un altavoz viejo, una o dos baterías (incluso bajas), una lima y es todo lo que el lector necesita para...