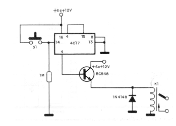
Este circuito utiliza un interruptor de presión para encender o apagar un relé. La alimentación debe ser de 6 o 12 V según el relé utilizado. El cable hasta el interruptor de control debe ser corto para evitar problemas de ruidos y repiques.

Este circuito utiliza un interruptor de presión para encender o apagar un relé. La alimentación debe ser de 6 o 12 V según el relé utilizado. El cable hasta el interruptor de control debe ser corto para evitar problemas de ruidos y repiques.
