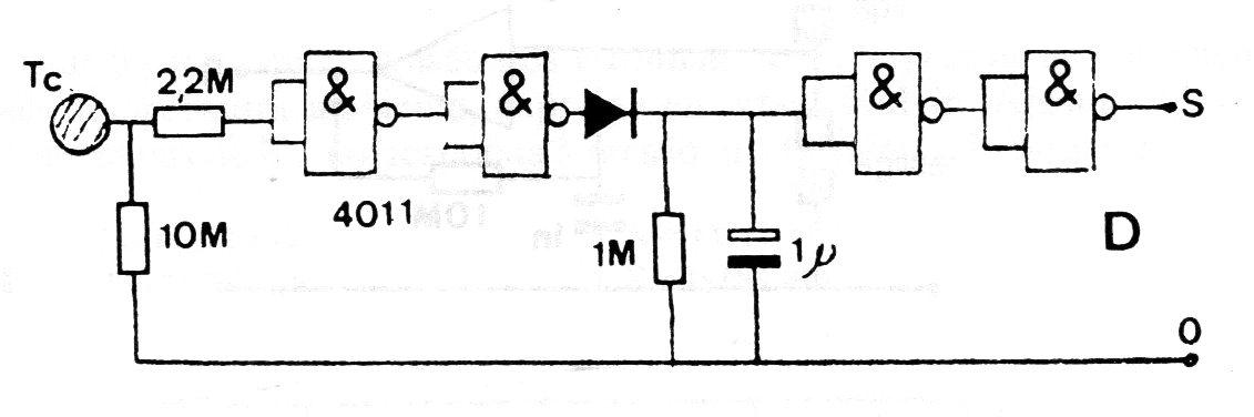
El sensor de toque de este circuito consiste en una chapa única que debe ser tocada para obtener una salida. El circuito utiliza el ruido captado por el cuerpo usando para accionar el circuito después de una detección hecha por el diodo. El circuito se puede utilizar como escudo de entrada cuando se alimenta con una tensión de 5 V.




