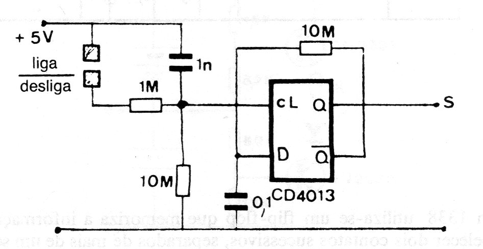
Este biestable con el 4013 sólo tiene un sensor de tacto que conecta y desconecta la carga controlada en su salida. El circuito puede ser utilizado como escudo de control o de entrada cuando es alimentado por una tensión de 5 V. El circuito es de una documentación francesa de los años 70.




