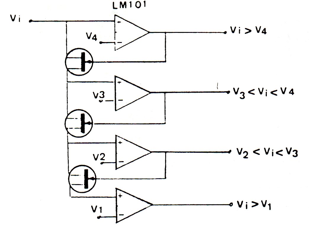
Este circuito detecta el nivel de tensión de salida según los valores de referencia indicados en el diagrama. El circuito puede utilizar JFET como los BF245 o MPF102 y el amplificador operacional admite el equivalente. La fuente de alimentación depende de las referencias.




