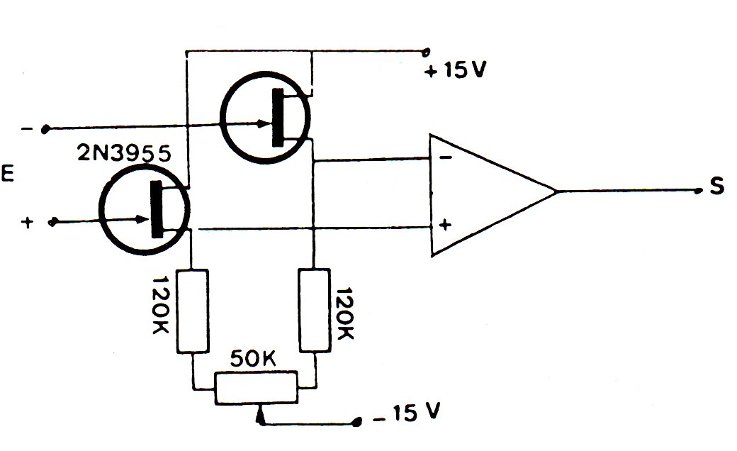
Los JFET admite equivalente como los BF245 y el amplificador operacional puede ser de cualquier tipo, incluyendo tipos con baja tensión de alimentación. La fuente debe ser simétrica. La impedancia de entrada es de muchos megohms.
Este preamplificador - bastante simple - puede servir para excitar amplificadores comunes con la...
El circuito mostrado en la figura 1 es una protección del tipo "Crow Bar" en la que el disparo...
Un altavoz viejo, una o dos baterías (incluso bajas), una lima y es todo lo que el lector necesita para...