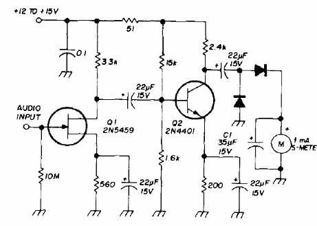
Esta configuración fue encontrada en una publicación para radioaficionados de 1975. Se trata de un medidor de intensidad de señal para indicadores de 1 mA. Los diodos son de uso general y el transistor NPN puede ser el BC548. El FET puede ser el BF245. La respuesta de frecuencia es de 500 Hz a 10 kHz.




