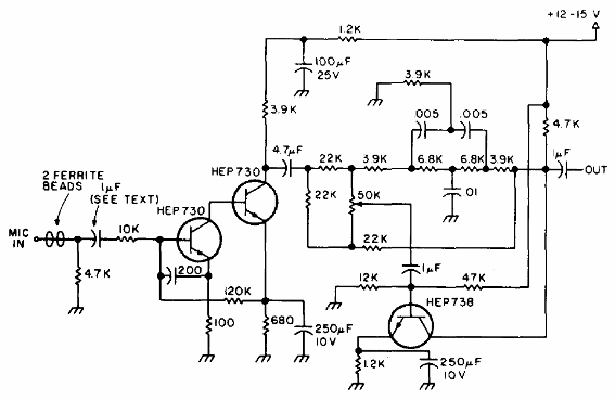
Este circuito refuerza señales de una banda de frecuencias entre 1500 y 2000 Hz para uso en telecomunicaciones. El circuito es de una publicación para radioaficionados de 1977. Los transistores pueden ser los BC548. Con el refuerzo en esta franja a palabras se vuelve mejor inteligible.




