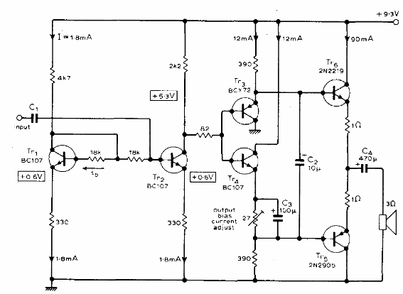
Este circuito fue sugerido en una documentación de 1976. Podemos usar en la salida el par BD135 y BD136 y para los demás podemos usar BC547 en lugar de BC107 y BC557 en lugar del BCY70. La alimentación viene de fuente de 9 V con al menos 200 mA.

Este circuito fue sugerido en una documentación de 1976. Podemos usar en la salida el par BD135 y BD136 y para los demás podemos usar BC547 en lugar de BC107 y BC557 en lugar del BCY70. La alimentación viene de fuente de 9 V con al menos 200 mA.
