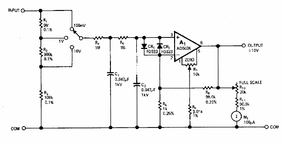
Este circuito fue encontrado en una publicación antigua de 1971. En lugar del amplificador operacional original se puede utilizar un 741. La resistencia de entrada del circuito es muy alta. Se puede utilizar un instrumento con fondo de escala mayor cambiando R10.




