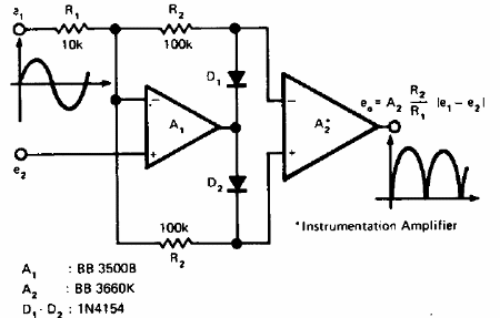
Este rectificador de señales de precisión se obtuvo en una documentación técnica americana de 1975. Los amplificadores operacionales pueden ser los 741 y la alimentación debe realizarse a partir de una fuente simétrica.

Este rectificador de señales de precisión se obtuvo en una documentación técnica americana de 1975. Los amplificadores operacionales pueden ser los 741 y la alimentación debe realizarse a partir de una fuente simétrica.
