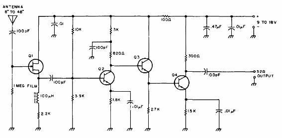
Este circuito fue obtenido en un manual para radioaficionados de 1975. Se trata de un circuito que posibilita el uso de una antena telescópica con receptores del rango de 3 a 30 MHz con excelente ganancia. El FET puede ser el BF245 o MPF102 y los demás transistores los BF494.




