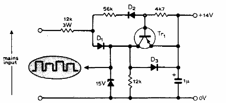
Este circuito, encontrado en una documentación de 1977, indica cuando la tensión de la red pasa por cero. En estas condiciones, produce un pulso de salida cuya duración depende del capacitor.

Este circuito, encontrado en una documentación de 1977, indica cuando la tensión de la red pasa por cero. En estas condiciones, produce un pulso de salida cuya duración depende del capacitor.
