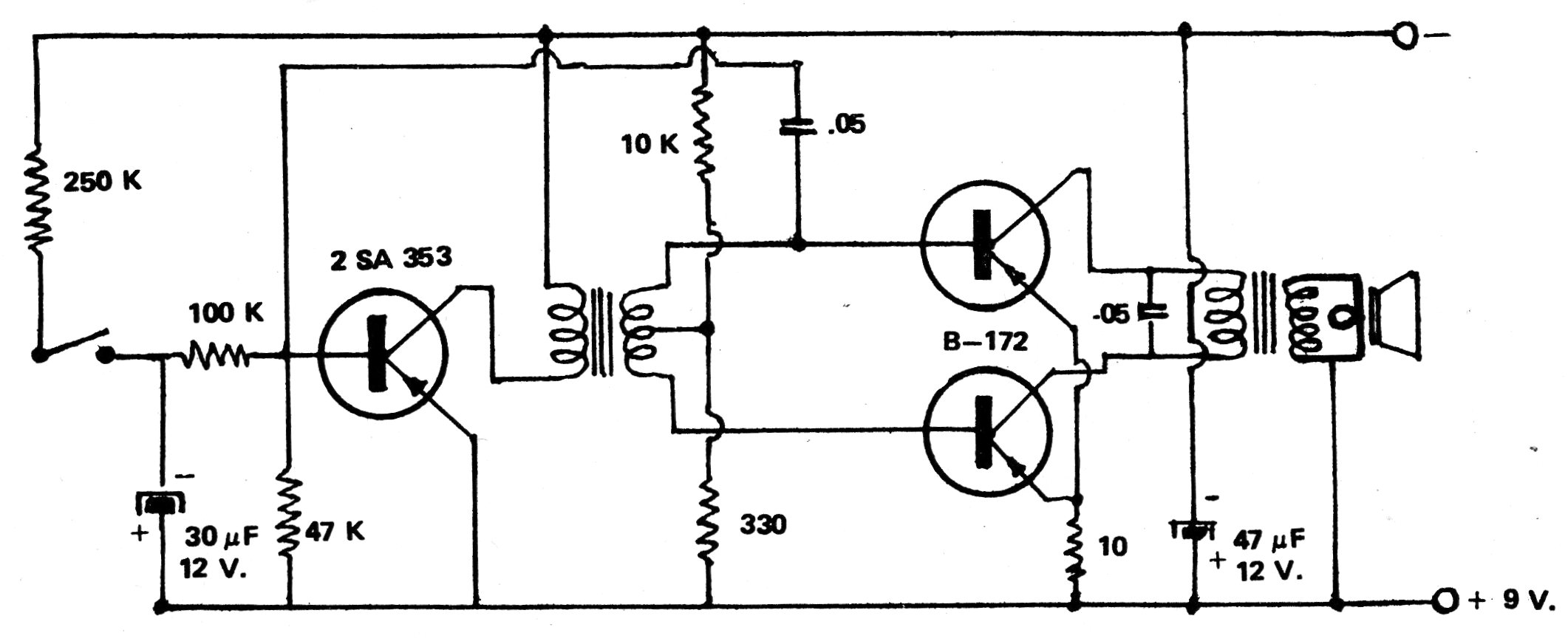
Esta configuración, que utiliza transistores de germanio y transformadores, es de una publicación de los años 1970. Los transistores admiten equivalentes más modernos, pero los transformadores ya no son fáciles de encontrar. Podemos obtenerlos en chatarra de pequeños grabadores y amplificadores de la época. El circuito alimenta un pequeño altavoz y debe ser alimentado por pilas grandes o fuente.




