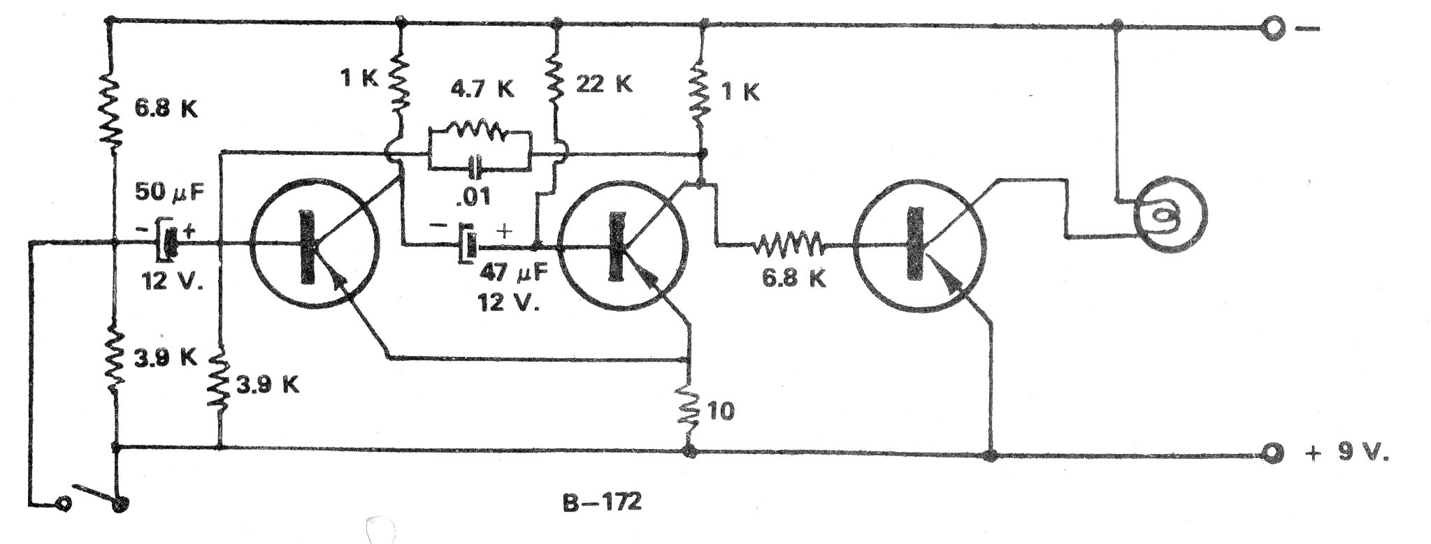
Este circuito es de una publicación de 1970, habiendo sido implementado con transistores PNP de germanio. Podemos utilizar en lugar del B-172 los BC558 y en la salida alimentando una lámpara hasta 500 mA, un BD136. El circuito funciona con alimentación y lámparas de 6 y 12 V. La frecuencia depende de los capacitores electrolíticos que pueden ser alterados.




