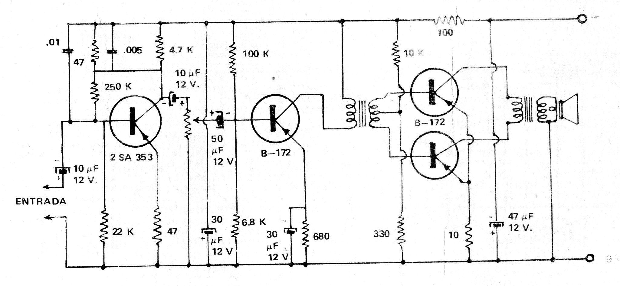
Los componentes críticos para este proyecto de los años 1970 son los transformadores. Los transistores originales son de germanio. Podremos encontrar estos transformadores en grabadores y pequeños amplificadores de tocadiscos de la época. El circuito puede ser alimentado por 9 V de 6 pilas grandes o fuente. Podemos cambiar las resistencias para que el circuito funcione con transistores de silicio. En la salida podremos probar los BD136.




