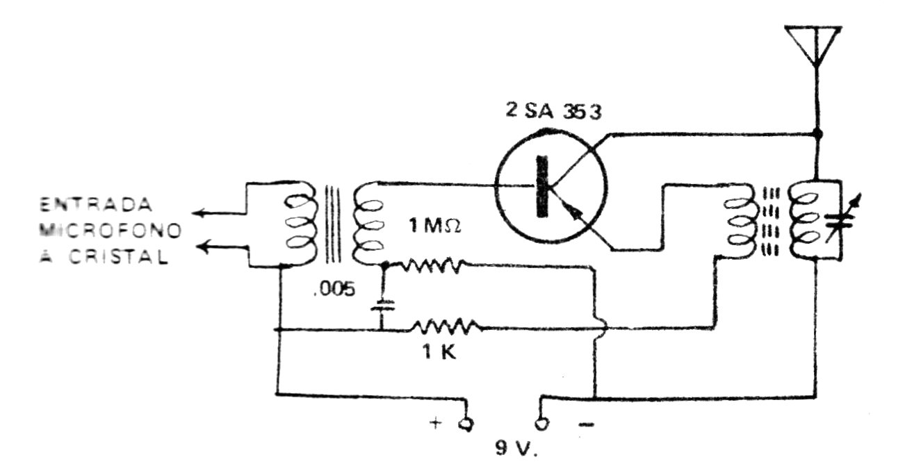
Este circuito de corto alcance es de una publicación de los años 1970. Cualquier transistor PNP de uso general como el BC558 puede ser utilizado. La antena tiene de 80 cm a 120 cm y la bobina está formada por dos devanados de 100 y 50 espiras de hilo 28 en un bastón de ferrita. El devanado de 100 espiras va a el variable. El transformador modulador es un controlador de radio transistor antiguo. El circuito también funciona con un pequeño altavoz utilizado como micrófono.




