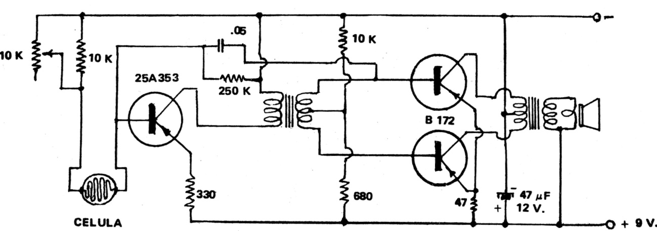
Esta configuración un tanto inusual, principalmente en forma de ajuste, es de una publicación de 1978. Los transistores originales son de germanio, pero se pueden utilizar tipos de silicio con eventuales cambios de resistencias, como los BC558. Los transformadores son del tipo controlador y salida de radios transistorizados de la época y la alimentación puede ser hecha con tensiones en el rango de 6 a 1 2 V.




