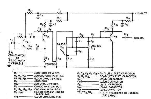
El circuito mostrado utiliza transistores de germanio y se encontró en una publicación de 1958. La misma configuración puede ser rehecha para usar transistores de silicio. El circuito incluye un control de tono y debe ser montado con cables blindados en la entrada y la salida.




