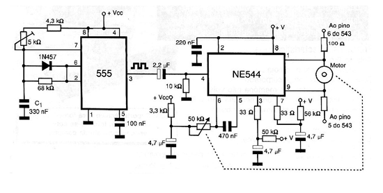
El circuito mostrado en la figura permite el control de un servomotor a partir de un oscilador remoto usando un 555. Además del circuito integrado 555 el circuito utiliza un NE544 que es un amplificador para control de servo que ya posee las etapas de potencia para este tipo de aplicación. Observe que el servo usado tiene un potenciómetro de realimentación de 50k ohms que determina su posición. De esta forma, la tensión generada por el 555 que es función de su frecuencia va a ser comparada con la tensión dada por la posición del potenciómetro de realimentación determinando así su posición de parada. En otras palabras, en este circuito la posición del servo depende de la frecuencia del oscilador formado por el 555. El NE544 no es un componente fácil de obtener.




