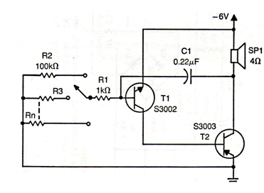
Este circuito fue obtenido en una antigua publicación americana de 1978. Puede ser montado con un BC548 para T1 y BC558 para T2. Los resistores de R3 a Rin pueden tener valores crecientes a partir de 100k, para modificar el efecto de aceleración del motor. Usando un BD136 paraT2 podemos alimentar el circuito con 12 V y obtener mayor potencia para el sonido.




