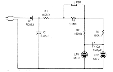
Este circuito, de una antigua publicación de los años 70, utiliza lámparas neón como indicadores y puede funcionar tanto en la red de 110 V como 220 V. Para la red de 220 V cambie R1 a 220k. El circuito no está aislado de la red de energía, por lo que debe tenerse cuidado con su manipulación.




