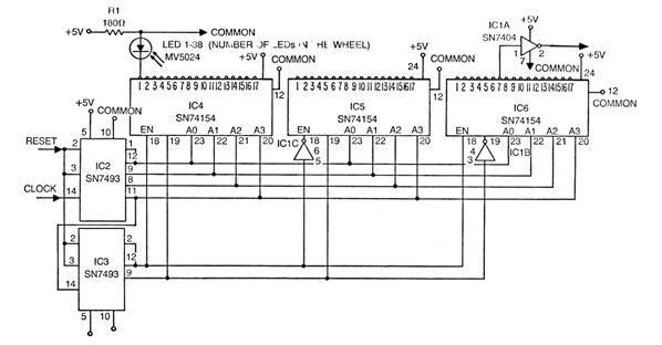
Este circuito TTL es de una publicación americana de 1978, pero puede ser montado con facilidad, pues los TTL usados son comunes. El circuito debe ser alimentado con 5 V y la señal de reloj que hace el sorteo puede ser generada por un 555 asequible disparable. En el sitio existen varias configuraciones para este propósito (véase el circuito CIR4256, por ejemplo).




