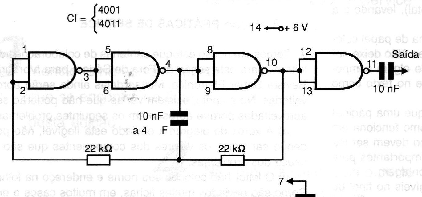
El inyector de señales ilustrado en la figura utiliza un único circuito integrado y genera signos rectangulares ricos en armónicos. La alimentación puede ser hecha con tensiones entre 5 y 12 V, pero sugerimos 6 V, lo que corresponde al uso de 4 pilas comunes. El negativo de la inyección es el polo negativo de las pilas, y el capacitor puede ser alterado para que se obtenga una frecuencia conforme la aplicación deseada.




