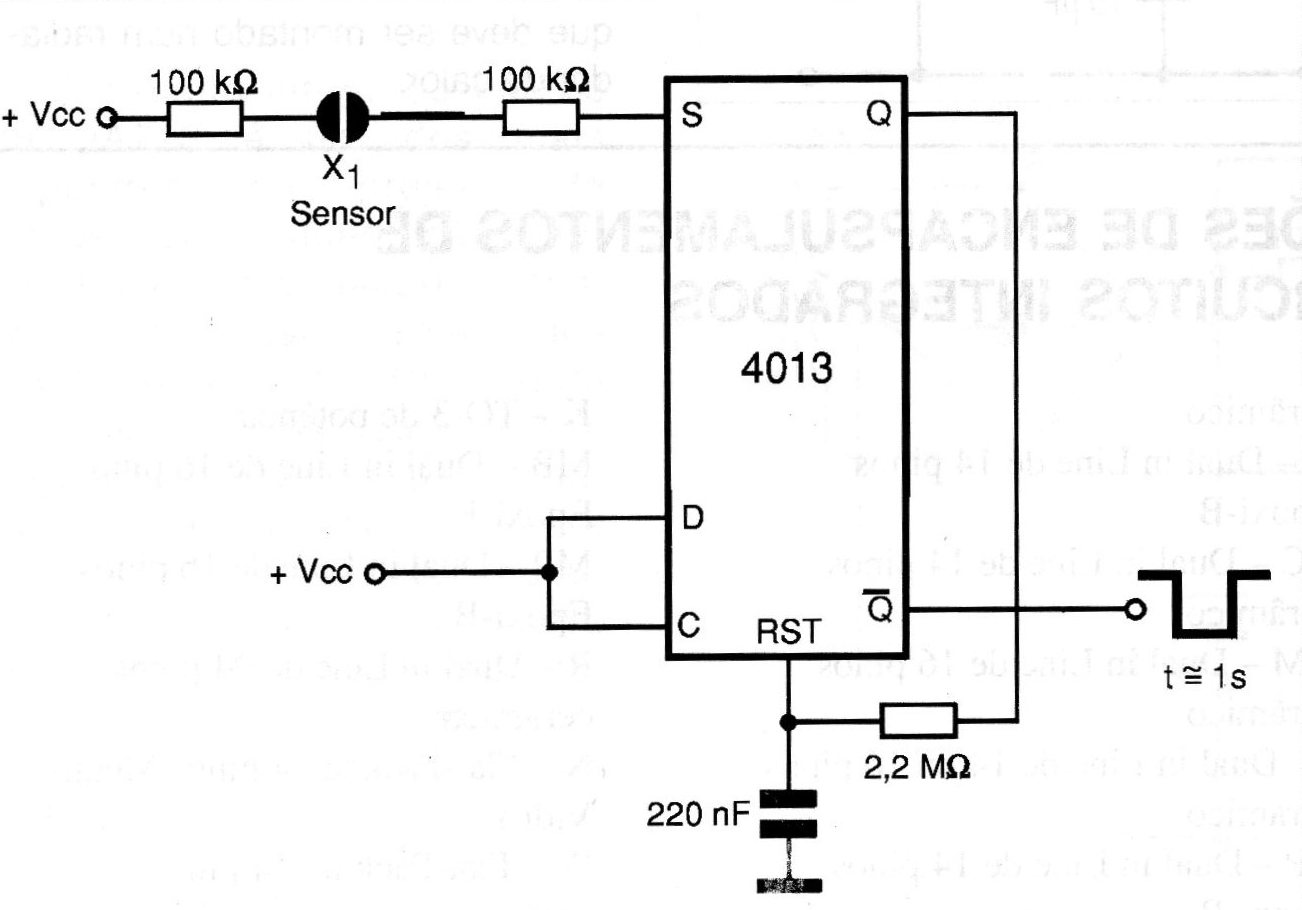
Este circuito dispara con el toque en un sensor, pasando su salida del nivel alto al bajo en un tiempo dado por el capacitor de 220 nF y por el resistor de 2,2 M ohms. Podemos cambiar estos componentes para obtener el tiempo deseado para una aplicación concreta. La alimentación del circuito se puede realizar con tensiones entre 3 y 15 V.




