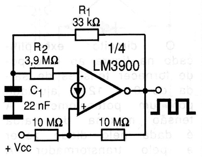
Uno de los cuatro amplificadores operacionales de Norton del LM3900 se utiliza en este oscilador, que tiene un ciclo activo del 50%. La frecuencia es del orden de 1 kHz y puede ser cambiada con el cambio de C1 o aún de R1 y R2. La fuente de alimentación debe ser simétrica y la señal de salida tiene la forma de onda rectangular.




