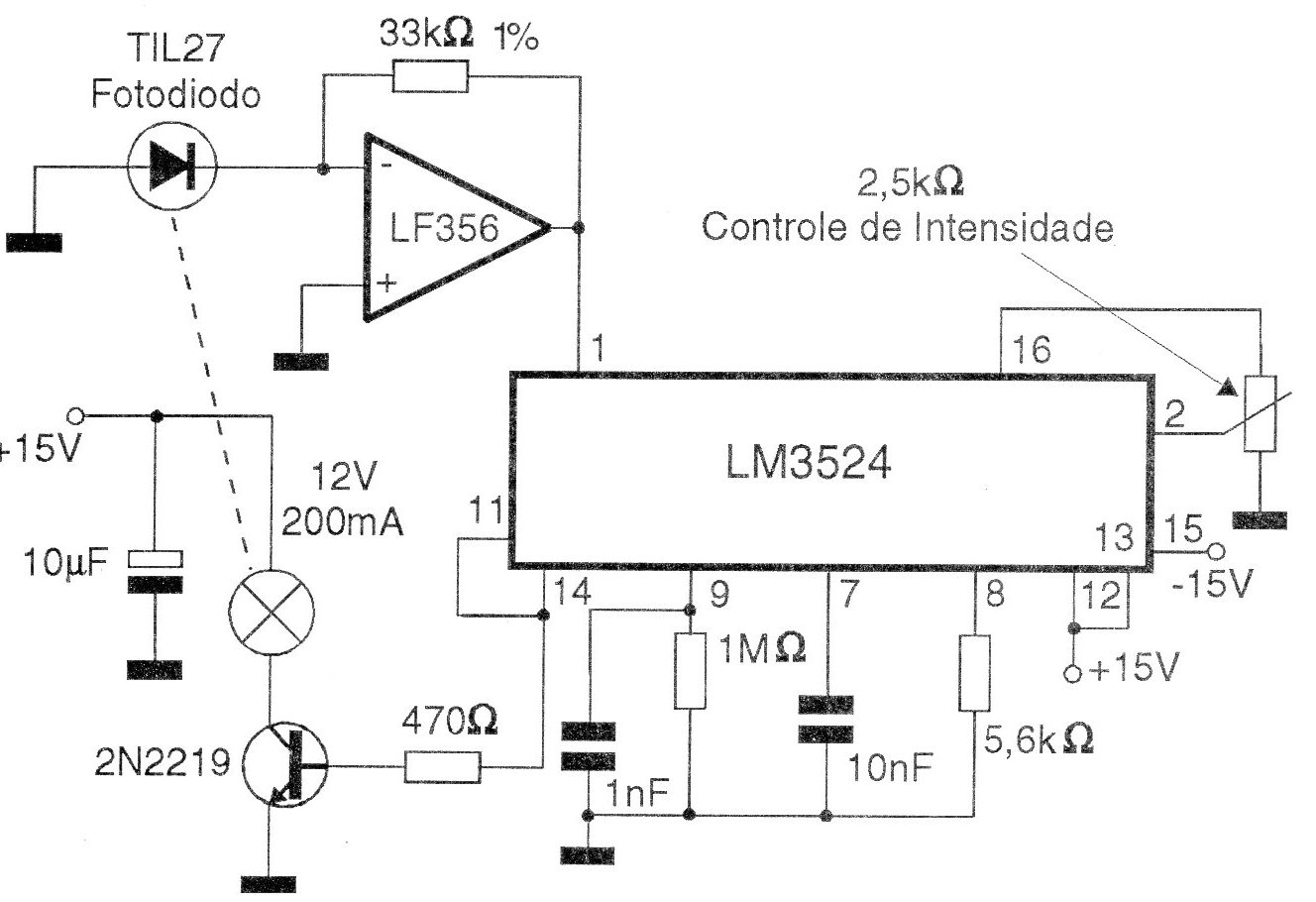
El propósito original del circuito de la figura, sugerido por National Semiconductor, es mantener constante el brillo de una lámpara en función del grado de iluminación de un fotodiodo en un proceso de fabricación de películas fotográficas. Por supuesto, el circuito se puede utilizar con otros propósitos, como por ejemplo la regulación del brillo de los ambientes o el control de la transparencia de las sustancias químicas. En este circuito, la intensidad de luz captada por el fotodiodo es amplificada por un operacional, realimentando el circuito integrado de control LM3524. La señal de realimentación se utiliza para excitar un transistor de pequeña potencia que tiene por carga una pequeña lámpara. La lámpara y que proporciona la señal de excitación para el "bucle" de control que tiene el fotodiodo. Observe la necesidad de utilizar la fuente simétrica para este circuito.




