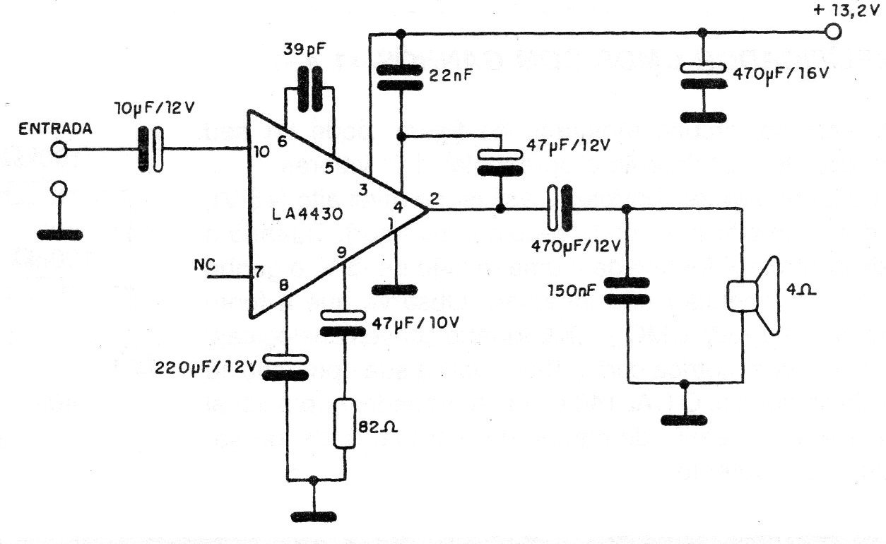
Este circuito es sugerido por Sanyo y tiene como base el circuito integrado LA4430, de su fabricación. Con una potencia de 4,5 W puede servir de base para radios de coche o sistemas reforzadores de sonido. La corriente de reposo es de 50 mA y la corriente máxima de salida de 2,25A. El circuito integrado debe montarse en un radiador de calor. La ganancia de tensión del circuito es de 50 dB y la impedancia de entrada de 20 k ohms. La tasa de distorsión armónica es del 0,3%.




